ADW350無線計量儀表
	電能計量系列
		  
        


 
             
            
          產品簡介
        功能:
ADW350無線計量儀表主要用于計量低壓網絡的三相有功電能,具有體積小、精度高、功能豐富等優點,并且可選通訊方式多,可支持RS485通訊和Lora、2G、NB、4G等無線通訊方式,增加了外置互感器的電流采樣模式,從而方便用戶在不同場合進行 安裝使用。可靈活安裝于配電箱內,實現對不同區域分布式小基站進行數據監測與負載控制。
應用范圍:
ADW350無線計量儀表有交流、直流之分,適用于計量低壓網絡用電監測、電信基站用電監測、太陽能供電計量等場合。
訂貨范例:
具體型號:ADW350WA-4G-T
規格:AC 3*220/380V ,AC 3*20(100)A
選配功能:4G,T(測溫)
技術參數
        


應用組網
        
外形安裝
        外形尺寸
ADW350尺寸圖


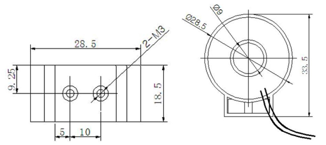
ADW350WA 20(100)A配套互感器尺寸圖

ADW350WA 10(50)A配套互感器尺寸圖

ADW350WD配套霍爾電流傳感器AHKC-BS尺寸圖
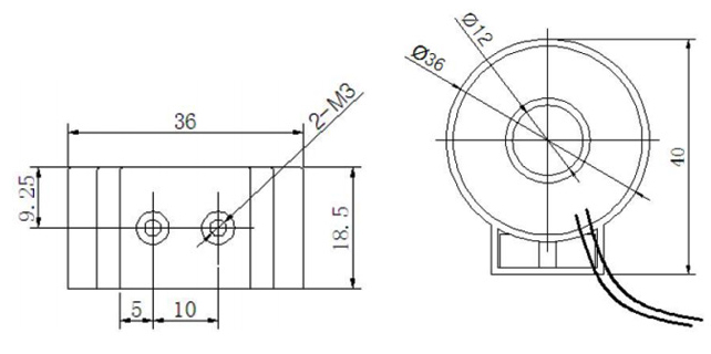
ADW350WA 20(100)A配套互感器尺寸圖

接線方式

ADW350WA三相四線

ADW350WA三相三線

ADW350WD三路直流
安裝示意

現場安裝圖

產品報價
        











 
  
 
 

