AZC智能電力電容補償裝置
	電能質量監測與治理系列
		  
        


 
             
            
          產品簡介
        功能:
AZC系列智能電力電容補償裝置由智能測控單元、投切開關、線路保護單元、低壓電力電容器等構成,改變了傳統無功補償裝置體積龐大和笨重的結構模式,是用于節省能源、降低線損、提高功率因數和電能質量的新一代無功補償設備。
應用范圍:
應用于0.4kV、50Hz低壓配電系統。
訂貨范例:
具體型號:AZC-SP1/450-10+10
技術要求:共補
通訊協議:無
輔助電源:無
技術參數
        
應用組網
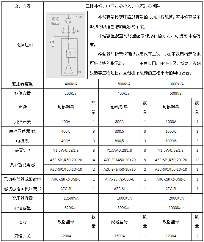
        變壓器容量為400/800/1000/1250/1600/2000KVA的三相補償應用方案


變壓器容量為400/800/1000/1250/1600/2000KVA的單相、三相混合補償應用方案


外形安裝
        外形尺寸

接線方式

不帶終端的共補接線圖

不帶終端的混補接線圖

帶終端的共補接線圖

帶終端的混補接線圖
產品報價
        












 
  
  
 
 

